Другие товары продавца (Смотреть все)
- Описание товара
- Характеристики товара














Характеристики товара
Место происхождения | ГИНАН МЕНГЖГОУ КОРОТ |
Будь то импортировать | Нет |
Номер товара | F002 |
Вы можете распечатать журнал | Не мочь |
Основная зона продаж | Южная Америка |
Основная зона продаж | Юго-Восточная Азия |
Основная зона продаж | Северная Америка |
Основная зона продаж | Средний Восток |
Есть авторизованный бренд | Да |
Будь то поставка поставки экспорта перекрестного парламента | Да |
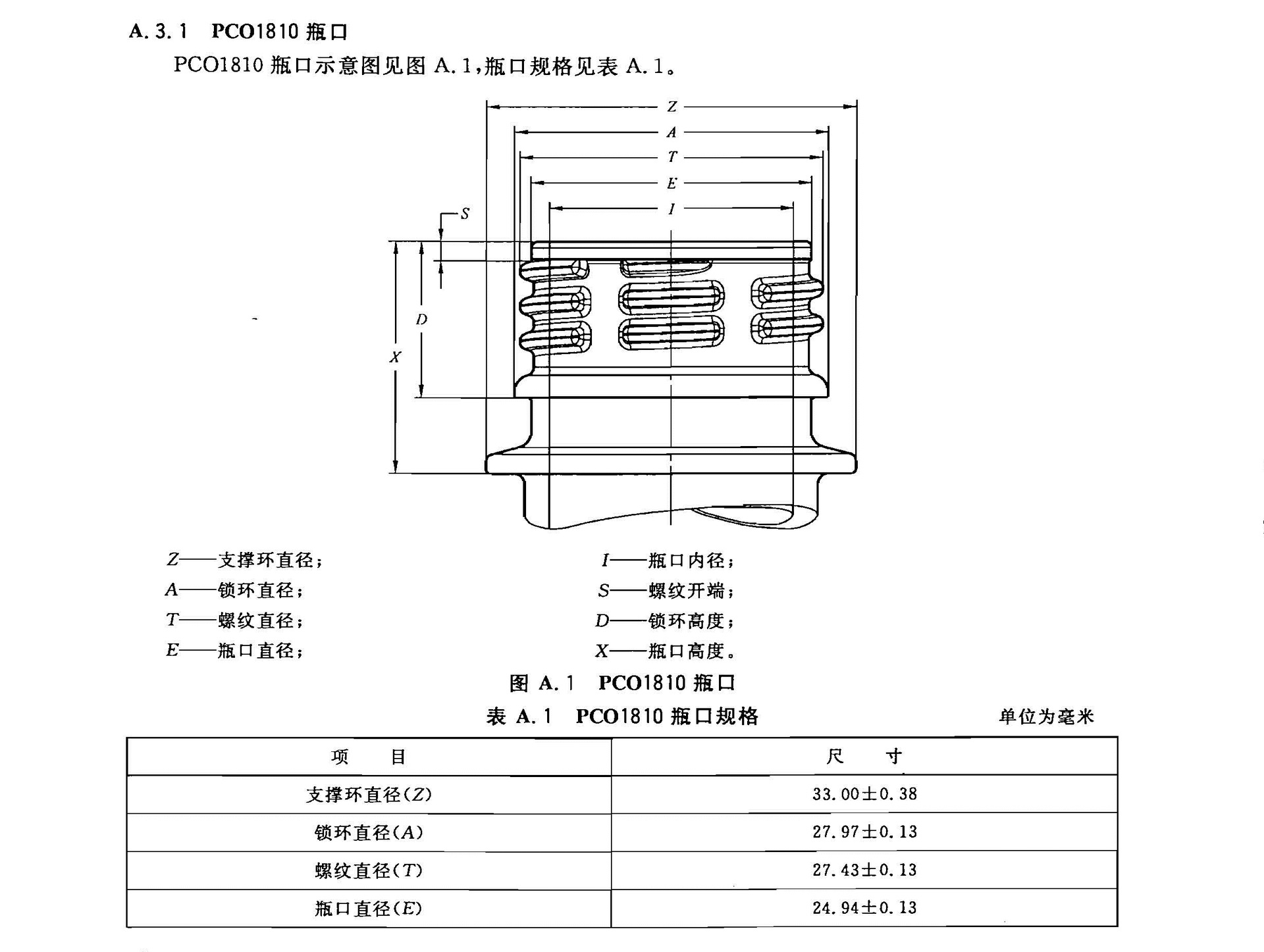
Спецификация | 28mm PCO1810 |
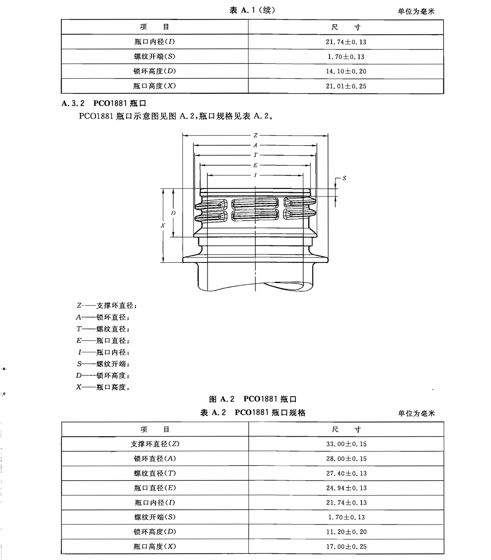
Спецификация | 28mm PCO1881 |
Спецификация | 30mm 30/25 |
Спецификация | 38mm 2start |
Спецификация | 28-мм порт PCO1810 |
Спецификация | 28-мм порт PCO1881 |
Силиконовый клапан | 28 портов, можно добавить 38 портов |
Экстерьер | Всасывание |
Материал | PP |
Непрерывная влажность | 25 |
Внешний цвет | Желтый |
Внешний цвет | Красный |
Внешний цвет | Синий |

Информация о продавце
Имя
中孚包装
Магазин
孟州市中孚包装科技有限公司
Находится в
Город Цзяозуо
Город Цзиозуо, провинция Хэнань
Город Цзиозуо, провинция Хэнань
Оценка доставки
4
Оценка товаров
5
Оценка сервиса
5
Рейтинг
4
Лет на рынке
Ранее вы смотрели